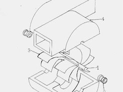
State of the Art - Novel InFlow Tech - Featured Project Development; |/ *1; Gearturbine Project, Rotary Turbo, Have the similar basic system of the Aeolipilie Heron Steam Turbine device from Alexandria 10-70 AD · With Retrodynamic = DextroRPM VS LevoInFlow + Ying Yang Way Power Type - Non Waste Looses · 8X/Y Thermodynamic CYCLE Way Steps. 4 Turbos, Higher efficient percent. No blade erosion by sand & very low heat target signature Pat:197187IMPI MX Dic1991 Atypical Motor Engine Type. |/ *2; Imploturbocompressor; One Moving Part System Excellence Design - The InFlow Interaction comes from Macro-Flow and goes to Micro-Flow by Implossion - Only One Compression Step; Inflow, Compression and outflow at one simple circular dynamic motion / New Concept. To see a Imploturbocompressor animation, is possible on a simple way, just to check an Hurricane Satellite view, and is the same implo inflow way nature.

Features

  • power
  • energy
  • technology
  • engineering
  • innovation
  • design
  • concept

Project Samples

Project Activity

See All Activity >

Follow State of the Art Novel InFlow Tech

State of the Art Novel InFlow Tech Web Site

Other Useful Business Software
AI-generated apps that pass security review Icon
AI-generated apps that pass security review

Stop waiting on engineering. Build production-ready internal tools with AI—on your company data, in your cloud.

Retool lets you generate dashboards, admin panels, and workflows directly on your data. Type something like “Build me a revenue dashboard on my Stripe data” and get a working app with security, permissions, and compliance built in from day one. Whether on our cloud or self-hosted, create the internal software your team needs without compromising enterprise standards or control.
Try Retool free
Rate This Project
Login To Rate This Project

User Reviews

Be the first to post a review of State of the Art Novel InFlow Tech!

Additional Project Details

Registered

2016-12-13